3-к. квартира, 73 м²

Номер лота: 131161115

Москва, Крюково район, Зеленоград г., Крюково, Каменка ул., д.1524

3-комнатная 73 м2 в ЖК undefined корпус null этаж 1

1/21

  • 3

    Комнаты

  • 73 м²

    Общая

  • 43,6 м²

    Жилая

  • 10,4 м²

    Кухня

  • 1

    Этаж

  • 1993

    Год постройки

  • Прямая продажа
  • Возможен торг
Данный объект можно купить по субсидированной процентной ставке от 12,25%, что существенно снизит ежемесячный платеж по ипотеке! Продается трехкомнатная квартира в 15-м микрорайоне города Зеленограда! Московская прописка! До МЦД станции Зеленоград — Крюково можно дойти пешком за 12 минут. Общая площадь составляет 73 кв. м, жилая — 43,6 кв. м, а кухня — 10.4 кв. м. Квартира просторная, планировка удобная, необходим косметический ремонт. Просторная кухня имеет достаточно места для обеденной зоны. В квартире есть застекленный балкон, который добавляет дoполнительнoе пpoстранство для отдыха или хранения личных вещей. Еще одним преимуществом этой квартиры является наличие вместительного погреба. Квартира продается без мебели. Квартира расположена на 1 этаже 14-этажного панельного дома. Дом серии П-44, построен в 1993 году, оснащен мусоропроводом и двумя лифтами — пассажирским и грузовым. Из окoн откpываетcя вид нa двop, гдe pacположены детский cад, детская и cпoртивная плoщадкa. Уютный тихий двор, чистый подъезд, развитая инфраструктура района, новая детская площадка во дворе, ландшафтный водоем, благоустроенная территория района, рядом с домом находится Парк Михайловский пруд, детские сады и школы, магазины, остановки общественного транспорта в шаговой доступности! Два взрослых собственника, вся сумма сделки в договоре, без обременений, идеально для ипотеки. Разумный торг возможен. Квартира подходит под ипотеку, помогу получить ее на спецусловиях. Оперативный показ. Приходите на просмотр и убедитесь сами! ПРЕИМУЩЕСТВА - Отличный район города; - Открытая парковка во дворе; - Хорошие соседи. ДЛЯ ДЕТЕЙ - Современные детские и спортивные площадки; - Школа № 1194 и детсад рядом; - Фитнес центр. ИНФРАСТРУКТУРА - Рядом с домом находится Парк Михайловский пруд - Отличная транспортная доступность, до МЦД станции Зеленоград — Крюково можно дойти пешком за 13 минут автобусная остановка рядом с домом, где останавливаются многие городские автобусы, которые идут до Москвы (м. Ховрино, 30 мин), до станции МЦД-3 Крюково (10 мин) от которой можно доехать до м. Ховрино, м. Комсомольская на электричке Ласточка (25 мин); - Рядом магазины: ТЦ «Столица», ТЦ «Грин», Ашан; аптеки, кафе, салоны красоты, ПВЗ, детские досуговые центры. ЛЕГКО КУПИТЬ: ️ 2 взрослых собственника, более 25-ти лет в собственности; ️ ипотека, поможем получить одобрение, а также получить субсидированный кредит по ставке от 12,25%; ️ помощь с использованием материнского капитала, военного и иных региональных сертификатов. Гарантия юридической чистоты сделки от компании! Рады будем ответить на все ваши вопросы. с 9:00 до 21:00. Звоните! Записывайтесь на показ объекта прямо сейчас!

Подробнее о квартире

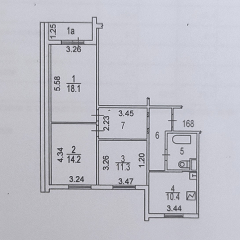
  • Количество комнат 3
  • Общая площадь 73 м²
  • Жилая площадь 43,6 м²
  • Площадь кухни 10,4 м²
  • Площадь прихожей 6 м²
  • Площадь комнаты №1 18,1 м²
  • Площадь комнаты №2 14,2 м²
  • Площадь комнаты №3 11,3 м²
  • Этаж 1
  • Высота потолков 2.64 м
  • Тип планировки Изолированные
  • Ремонт Требует ремонта
  • Санузел совмещенный 1

Пакеты услуг для этой квартиры

Мы подобрали всё необходимое, чтобы вы могли не только оформить сделку, но и подготовить квартиру к своему переезду или сдаче в аренду

Подробнее о доме

  • Год постройки 1993
  • Тип дома Панельный
  • Мусоропровод Да
  • Тип территории Открытая
  • Количество этажей 14
  • Отопление Центральное

Размещено 16.02.2026

Расположение и инфраструктура

Купите в ипотеку

Поиск исполнителей

Выберите услугу, чтобы увидеть
список надёжных компаний

  • Оценка

    Оценка квартир, домов и земельных участков, коммерческих помещений

Похожие квартиры